Zeichnungsabgleich der C6 Z06 Scheiben
Moderator: Rocky00748
1 Beitrag
• Seite 1 von 1
Zeichnungsabgleich der C6 Z06 Scheiben
Guten Tag alle zusammen,
ich finde das ganze etwas unprofessionell von dem Hersteller, die Verantwortung auf mich über zu wälzen. Da ich aber die Scheiben gerne haben möchte bleibt mir nichts anderes übrig.
die Fa. Tarox ist sich unsicher bei den Bremsscheiben der C6 Z06. Da gibt es wohl Unsimmigkeiten.
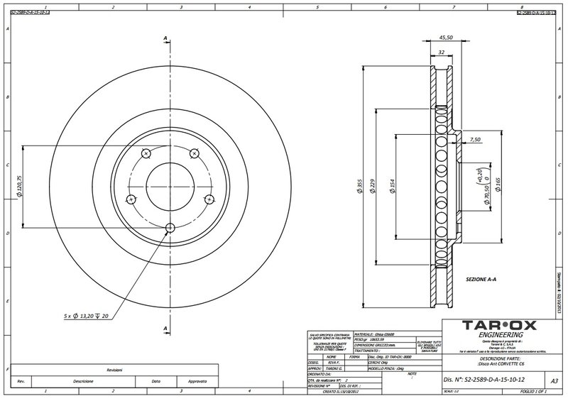
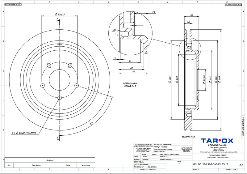
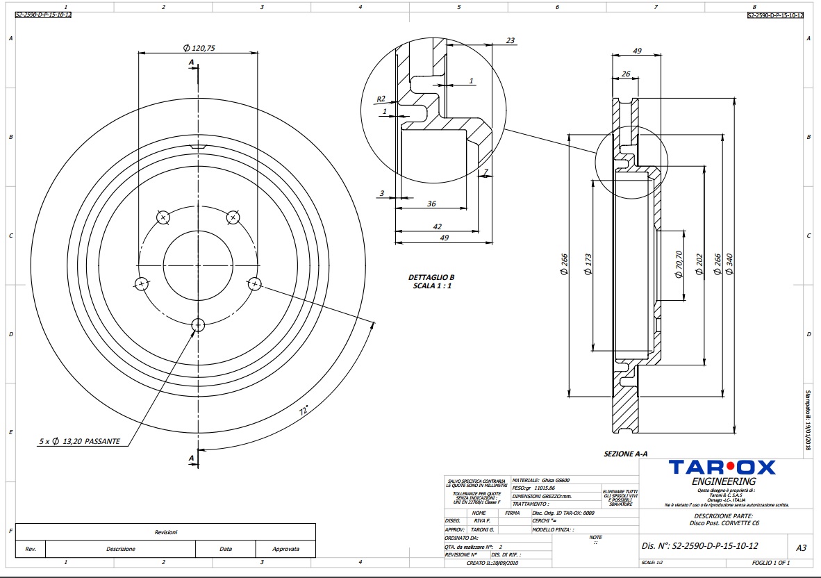
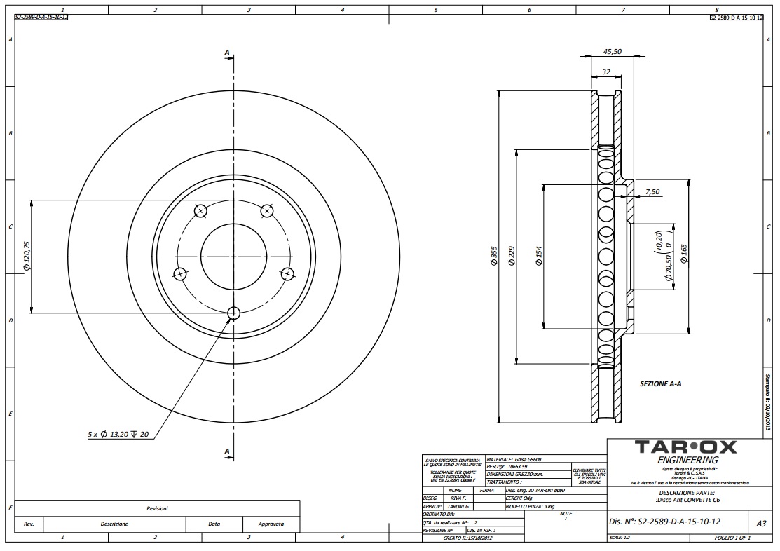
Anbei die Email der Herstellers und die Zeichnungen. Kann dies wer kontrollieren? Ich bin leider nicht am Auto die nächsten Woche und kann es nicht nachmessen. Wäre Top.
"Es gibt da Ungenauigkeiten bezüglich der Corvette Scheiben, daher bitte der Hersteller die technische Zeichnung zu prüfen. Gerne fertigen wird die Scheiben, jedoch ist einen Umtausch oder Rückgabee nicht möglich. Das Risiko liegt also bei Ihnen wenn Sie die Scheiben ohne Prüfung der technische Zeichnung bestellen."
Wären die Scheiben ja nicht so gut, hätte ich schon lange andere genommen. Eventuelle Alternative wäre die DBA5000, die gibt es aber leider nicht hinten.
Gruß
ich finde das ganze etwas unprofessionell von dem Hersteller, die Verantwortung auf mich über zu wälzen. Da ich aber die Scheiben gerne haben möchte bleibt mir nichts anderes übrig.
die Fa. Tarox ist sich unsicher bei den Bremsscheiben der C6 Z06. Da gibt es wohl Unsimmigkeiten.
Anbei die Email der Herstellers und die Zeichnungen. Kann dies wer kontrollieren? Ich bin leider nicht am Auto die nächsten Woche und kann es nicht nachmessen. Wäre Top.
"Es gibt da Ungenauigkeiten bezüglich der Corvette Scheiben, daher bitte der Hersteller die technische Zeichnung zu prüfen. Gerne fertigen wird die Scheiben, jedoch ist einen Umtausch oder Rückgabee nicht möglich. Das Risiko liegt also bei Ihnen wenn Sie die Scheiben ohne Prüfung der technische Zeichnung bestellen."
Wären die Scheiben ja nicht so gut, hätte ich schon lange andere genommen. Eventuelle Alternative wäre die DBA5000, die gibt es aber leider nicht hinten.
Gruß
- Bluebird
- Beiträge: 118
- Registriert: 10.06.17, 16:25
- Geschlecht: Männlich
- Fahrzeug: 2008 C6 Z06
1 Beitrag
• Seite 1 von 1
Wer ist online?
Mitglieder in diesem Forum: 0 Mitglieder und 13 Gäste
